EN 10025 S235JR/S235J0/S235J2 UPE CHANNEL
EN 10219 S235JRH MS Cold Formed Rectangular Tube Stockists in India, Carbon Steel S235JRH Rectangular Hollow Section Suppliers in Mumbai, Cold Formed EN 10219 S235JRH RHS Pipe.

Hollow Section Profiles is one of the best manufacturers, suppliers, and exporters of EN 10025 S235JR UPE Channels. These EN 10025 S235J0 UPE Channels has been an ideal choice for construction projects as it provides excellent strength and durability. It can form efficient shapes and join metals together efficiently. It is manufactured using international quality standards. These EN 10025 S235J2 Steel UPE Channels are available in different dimensions, shapes, sizes, end finishes, and surface finishes. However, Customers can order as per their customizations.
UPE is known as Stainless Steel channels with parallel flanges. It has wide flanges compared to UPN Channels. These channels are manufactured using scrap as it can be recycled so that we can conserve the new resources. These EN 10025 S235J0 UPE Channels possesses the best welding and mechanical properties. It is mostly used in low-temperature applications. These EN 10025 S235JR UPE Channels offer high ductility, best durability, and high tensile strength. It also provides the best corrosion resistance properties. This EN 10025 S235J2 Hot Rolled Steel UPE Channels are mostly used in the oil and gas industries, petrochemical industries, and pulp and paper industries. At Hollow Section Profiles, These EN 10025 S235J0 Carbon Structural Steel UPE Channels are manufactured under the proper guidance and direction of industry experts.
Earlier These EN 10025 S235JR MS UPE Channels are suitable to use for structural applications, such as buildings, bridges, etc. These UPE Channels are produced in different patterns. At Hollow Section Profiles these EN 10025 S235J2 UPE Channels are available in different shapes and patterns, customers can order these UPE Channels as per their patterns. The international standard of this channel is EN 10279: 2000.
Grade S235JRH Cold Formed Welded Structural Rectangular Hollow Section, EN 10219 S235JRH Seamless Cold Formed Rectangular Hollow Section Tubing, EN 10219 Cold Formed S235JRH ERW RHS Pipes Dealers in India.
Specification of EN 10025 S235JR/S235J0/S235J2 UPE CHANNEL
- Specification
Size | 100mm x 100mm — 1000mm x 3000mm — |
Wall Thickness | 0.5mm – 25mm |
Length | 6000-14000 mm |
Dimensional Tolerances | Thickness (All sizes +/- 10%) |
Packing | In bundles, Anticorrosion heat preservation, Varnish coating, Ends can be bevelled or square cut, End Capped Certification & supplementary test, Finishing & Identity Mark |
Surface Protection | Black (Self Coloured uncoated), Varnish/Oil Coating, Pre-Galvanized, Hot Dip Galvanized |
Properties
S235JR GRADE
- Equivalent Grade Of S235JR
- Chemical Composition
EU EN | USA – | Germany DIN,WNr | Japan JIS | France AFNOR | England BS | Canada HG | European old EN | Italy UNI | Belgium NBN | Spain UNE | China GB | Sweden SS | Austria ONORM | Norway NS | Russia GOST | Inter ISO | Portugal NP | India IS | ||||||||||||||||||||||||||||||||||
S235JR |
|
|
|
|
|
|
|
|
|
|
|
|
|
|
|
|
|
|
C | Mn | P | S | N | Cu | CEV |
max 0.2 | max 1.4 | max 0.04 | max 0.04 | max 0.012 | max 0.55 | max 0.38 |
S235JO GRADE
- Equivalent Grade Of S235JO
- Chemical Composition
EU EN | USA – | Germany DIN,WNr | Japan JIS | France AFNOR | England BS | European old EN | Italy UNI | Belgium NBN | Spain UNE | China GB | Sweden SS | Austria ONORM | Norway NS | Russia GOST | Inter ISO | Portugal NP | India IS | |||||||||||||||||||
S235J0 |
|
|
|
|
|
|
|
|
|
|
|
|
|
|
|
|
|
C | Mn | P | S | N | Cu | CEV |
max 0.17 | max 1.4 | max 0.035 | max 0.035 | max 0.012 | max 0.55 | max 0.38 |
S235J2 GRADE
- Equivalent Grade Of S235J2
- Chemical Composition
EU EN | USA – | England BS | European old EN | China GB | Russia GOST | ||||||
S235J2 |
|
|
|
|
|
C | Mn | P | S | Cu | CEV |
max 0.17 | max 1.4 | max 0.03 | max 0.03 | max 0.55 | max 0.38 |
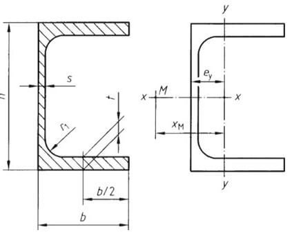
size and weight
- Dimensions

Desig- nation | Dimnesions in mm | Area, A, cm2 | Mass kg/m | Surface area in m2/m | ||||
h | b | s | t | r1 | ||||
UPE 80 | 80 | 50 | 4 | 7 | 10 | 10.1 | 7.90 | 0.343 |
UPE 100 | 100 | 55 | 4.5 | 7.5 | 10 | 12.5 | 9.82 | 0.402 |
UPE 120 | 120 | 60 | 5 | 8 | 12 | 15.4 | 12.1 | 0.460 |
UPE 140 | 140 | 65 | 5 | 9 | 12 | 18.4 | 14.5 | 0.520 |
UPE 160 | 160 | 70 | 5.5 | 9.5 | 12 | 21.7 | 17.0 | 0.579 |
UPE 180 | 180 | 75 | 5.5 | 10.5 | 12 | 25.1 | 19.7 | 0.639 |
UPE 200 | 200 | 80 | 6 | 11 | 13 | 29.0 | 22.8 | 0.697 |
UPE 220 | 220 | 85 | 6.5 | 12 | 13 | 33.9 | 26.6 | 0.756 |
UPE 240 | 240 | 90 | 7 | 12.5 | 15 | 38.5 | 30.2 | 0.813 |
UPE 270 | 270 | 95 | 7.5 | 13.5 | 15 | 44.8 | 35.2 | 0.892 |
UPE 300 | 300 | 100 | 9.5 | 15 | 15 | 56.6 | 44.4 | 0.968 |
UPE 330 | 330 | 105 | 11 | 16 | 18 | 67.8 | 53.2 | 1.043 |
UPE 360 | 360 | 110 | 12 | 17 | 18 | 77.9 | 61.2 | 1.121 |
UPE 400 | 400 | 115 | 13.5 | 18 | 18 | 91.9 | 72.2 | 1.218 |
Industries We Serve :

Packaging Used By Us :

People Also Search For
IS 4923 YST 210 Cold Formed SHS Tube, IS 4923 YST210 Cold Formed CS Square Hollow Section Supplier in Mumbai, Cold Formed Hollow Section IS 4923 YST 210, IS 4923 YST 210 Hollow Section Square, IS 4923 YST 210 Seamless Cold Formed Square Hollow Section Tubing, IS 4923 Grade YST 210 Cold Formed ERW Square Hollow Section
Worldwide Exporters
In Cities Like
Baroda, Hanoi, Ho Chi Minh City, Courbevoie, Navi Mumbai, Visakhapatnam, Bangkok, Cairo, Jeddah, Toronto, Jakarta, Doha, Ranchi, Vadodara, Seoul, Faridabad, Ulsan, Chiyoda, Lahore, Nagpur, Haryana, Colombo, Atyrau, Lagos, Ludhiana, Jamshedpur, Nashik, Geoje-si, Abu Dhabi, Ahvaz, Edmonton, Al Khobar, Kuwait City, Dammam, New York, London, Rio de Janeiro, Bhopal, New Delhi, Singapore, Ahmedabad, Karachi, Port-of-Spain, Riyadh, Dallas, Manama, Brisbane, Kolkata, Pimpri-Chinchwad, Gimhae-si, Gurgaon, Busan, Petaling Jaya, Houston, Howrah, Granada, Coimbatore, Kanpur, Mumbai, Thane, Pune, Algiers, Moscow, Perth, Aberdeen, Muscat, Bengaluru, Calgary, Sydney, Chandigarh, Tehran, Secunderabad, Montreal, Los Angeles, Kuala Lumpur, Ernakulam, Madrid, Noida, Mexico City, Vung Tau, Thiruvananthapuram, Hyderabad, Milan, Al Jubail, La Victoria, Chennai, Ankara, Istanbul, Hong Kong, Surat, Caracas, Indore, Melbourne, Sharjah, Bogota, Jaipur, Dubai, Santiago, Rajkot.
In Countries Like
Lithuania, Brazil, South Korea, United Arab Emirates, Slovakia, Ukraine, Hungary, Poland, Bhutan, Singapore, Iran, Egypt, Italy, South Africa, Nepal, Czech Republic, Kenya, Yemen, Qatar, France, Greece, Netherlands, Peru, Thailand, Philippines, Azerbaijan, Kazakhstan, Lebanon, Ghana, United States, Bolivia, Switzerland, Gabon, Mexico, Malaysia, Sweden, Croatia, Mexico, Estonia, Indonesia, New Zealand, Afghanistan, Hong Kong, Kuwait, Finland, Australia, Iraq, Sri Lanka, Austria, Canada, Iran, Costa Rica, China, Belgium, Angola, United Kingdom, Romania, Spain, Gambia, Nigeria, Turkey, Venezuela, Chile, Russia, Taiwan, Ireland, Namibia, Vietnam, Germany, Portugal, Norway, Denmark, Morocco, Belarus, Bahrain, Algeria, Oman, India, Ecuador, Bangladesh, Mongolia, Japan, Libya, Puerto Rico, Trinidad & Tobago,Tunisia, Colombia, Zimbabwe, Macau, Poland, Chile, Jordan, Nigeria, Serbia, Pakistan, Israel, Argentina, Bulgaria, Tibet, Saudi Arabia.